【<3萬】超高性價比微型近紅外光纖光譜儀
900-1700nm / <3萬元
產品概述
ATP8600 是奧譜天成研制的 900-1700nm 近紅外微型光纖光譜儀,結構尺寸小。它采用 256 像素的InGaAs 線陣探測器,一體化設計可靠的 CCD 安裝和散熱方式,提高了 ATP8600 的測量可靠性。 同時,奧譜天成為 ATP8600 特別定制了超低噪聲 CCD 信號相關雙采樣處理電路。
ATP8600 可接收 SMA905 光纖輸入光或者自由空間光,通過 Type-c 或者 UART 端口,輸出測量所得的光譜數據。
ATP8600 只需要一個 5V 直流電源供電,可以直接 USB 供電,非常便于集成使用
產品特征
256 像素 InGaAs 探測器?
超低噪聲相關雙采樣電路;
光譜范圍:900-1700nm(范圍內可以按需求定制)
? 光譜分辨率:與入射狹縫寬度有關
? 積分時間:100 us- 100ms
? CCD 參數:256×1 pixel,25×250 um
? 供電電源:直流 5V;
? ADC 位深:16 位;
? ADC 采樣率:1MHz;
? 光輸入接口:SM905 光纖接口或自由空間輸入;
? 數據輸出接口:Type-c 和 UART;
? 10 針擴展接口;
1、產品運用
? 食品分選;
? 廢水檢測;
? 農作物的水分、蛋白質、脂肪、纖維檢測;
? 紙張分選;
? 中藥生產在線監控;
? 太陽能電池板檢測;
? FBGA 光纖調制解調;
? 激光波長監測
2、光纖光譜儀型號描述
ATP8600通用光譜儀
ATP8600FBG-C 用于光纖傳感器的信號解調(C波段)
ATP8600FBG-L 用于光纖傳感器的信號解調(L波段)
ATP8600FBG-CL 用于光纖傳感器的信號解調(C+L波段)
ATP8600RM 專用于拉曼光譜儀
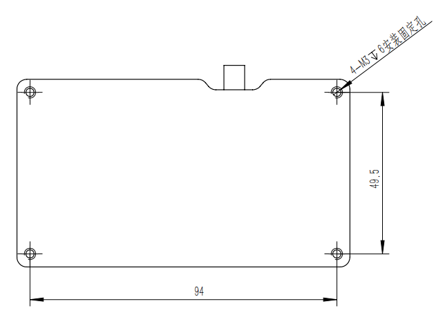
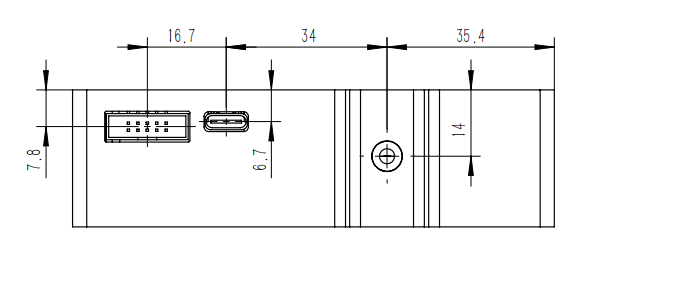
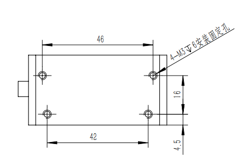
3.光纖光譜儀結構數據

圖 2 機械尺寸圖(俯視)

圖 3 機械尺寸圖(橫視)

圖 4 機械尺寸圖(側視),4個孔為固定孔,用于安裝固定




